| Sign In | Join Free | My wneducation.com |
|
Brand Name : YBX
Model Number : YX93G2-10A-S
Certification : cUL, ENEC, CE, ROHS, ISO
Place of Origin : China
MOQ : 5pcs
Price : Negotiable
Supply Ability : 2000pcs per month
Delivery Time : 15-25 days
Packaging Details : 56.5*28.5*22.5CM
Type : YX93G2-10A-S
Voltage : 380V/440V
Current : 1A-200A
Port : SHENZHEN
Payment Terms : T/T
Frequency : 50/60HZ
Line to Line : 1450VDC
Line to Ground : 2250VDC or 2000VAC
MOQ : 5pcs
Certificate : cUL ENEC ISO9001 CE ROHS
Main Filters EMC, EMI Filter 3 Phase Emi Filter Output, Rated Current 1000A
Technical Specification:
| Item | 3 Phase EMI Filter |
| Model | 3 Phase EMI Filter -YX93G2 series |
| Transfer Function | Low Pass |
| Package Type | Surface Mount |
| Nominal Center Frequency | 10K-30MHZ |
| Insertion Loss | 60~90dB |
| Input Impedance | 50Ω |
| Rated Voltage | 380V/440V |
| Rated Current | 1A-100A |
| Environmental Temperature | 40°C |
| Temperature Range | 25 / 085 / 21 |
| Operating Frequency | 50/60HZ |
| Line to Line | 1450VDC |
| Line to Ground | 2250VDC or 2000VAC |
| Maximum Leakage Current | 115VAC/60HZ 1.4mA Max. 250VAC/60HZ 2.5mA Max |
| MOQ | 5pcs |
| Price | USD3.8~98/Meter |
| Lead Time | 3~15 weekday for Low Pass EMI Filter |
Features:
1. It is widely used in household appliances, electric force, telecommunications, machine tool, vessel, textile, printing, Mining machine, Mustic Instrument, etc
2. Advanced two-stage filtering circuits with highly saturating resistant toroidal inductors
3. Customized products according to customer's requirements
4. This power line filters are designed for high performance shielded rooms, insertion loss is more than 100dB from 14KHz to 40GHz.We can offer different type specification power filters, with DC and AC
Typical Applications:
-- Mainframe computer systems
-- High power office equipment
-- Power supplies
-- Office and data processing equipment
Rule of Nomination:
YB 93 G2 - 10A - Q
¦ ¦ ¦ ¦
circuit case current connection
Tabulates:
| Model No. | Rated Current @40°C | Terminal Options* | Leakage current 440V/50Hz | Electrical Schematic | Rated Voltage(V) | Operating Frequency(Hz) | ||||||||||||||||||||||||||||||
| YX93G2-3A | 3A | Q | S | T |
<5.0mA | Fig.1 |
250/440V |
50/60Hz | ||||||||||||||||||||||||||||
| YX93G2-6A | 6A | Q | S | T | Fig.1 | |||||||||||||||||||||||||||||||
| YX93G2-10A | 10A | Q | S | T | Fig.1 | |||||||||||||||||||||||||||||||
| YX93G3-15A | 15A | Q | S | T | Fig.1 | |||||||||||||||||||||||||||||||
| YX93G3-20A | 20A | - | S | T | Fig.1 | |||||||||||||||||||||||||||||||
| YX93G3-25A | 25A | - | S | T | Fig.1 | |||||||||||||||||||||||||||||||
| YX93G3-30A | 30A | - | S | T | Fig.1 | |||||||||||||||||||||||||||||||
| YX93G5-40A | 40A | - | S | T |
<10.0mA | Fig.1 | ||||||||||||||||||||||||||||||
| YX93G5-50A | 50A | - | S | T | Fig.1 | |||||||||||||||||||||||||||||||
| YX93G4-60A | 60A | - | S | T | Fig.1 | |||||||||||||||||||||||||||||||
| YX93G4-70A | 70A | - | S | T | Fig.1 | |||||||||||||||||||||||||||||||
| YX93G4-80A | 80A | - | S | T | Fig.1 | |||||||||||||||||||||||||||||||
| YX93G4-100A | 100A | - | S | T |
<20.0mA | Fig.1 | ||||||||||||||||||||||||||||||
| YX93G4-130A | 130A | - | S | T | Fig.1 | |||||||||||||||||||||||||||||||
| YX93G6-150A | 150A | - | S | T | Fig.1 | |||||||||||||||||||||||||||||||
| YX93G6-200A | 200A | - | S | T | Fig.1 | |||||||||||||||||||||||||||||||
*Q: Fast-on 6.35x0.8mm
S: Screw
lug
T: Terminal block


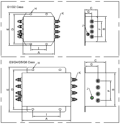
| Case | A | B | C | D | E | F | G | H | I | J | K | L | M | ||||||||||||||||||||||||||||||
| G1 | 72 | 65 | 39 | 75 | 85 | 35 | 22 | 45 | M4 | M4/M6 | |||||||||||||||||||||||||||||||||
| G2 | 98 | 80 | 40 | 95 | 105 | 50 | 20 | 4.5*6.5 | 50 | M4 | M4/M6 | ||||||||||||||||||||||||||||||||
| G3 | 120 | 100 | 50 | 115 | 130 | 50 | 28 | 4*6 | 60 | M4 | M4/M6 | ||||||||||||||||||||||||||||||||
| G4 | 200 | 127 | 80 | 150 | 170 | 62 | 49.5 | 6*9 | 117 | M6/M8 | M8/M10 | ||||||||||||||||||||||||||||||||
| G5 | 150 | 105 | 60 | 120 | 135 | 55 | 35 | 4*6 | 90 | M6 | M8 | ||||||||||||||||||||||||||||||||
| G6 | 260 | 170 | 100 | 196 | 220 | 85 | 65 | 8*12 | 172 | M8 | M10 | ||||||||||||||||||||||||||||||||
| Tolerances | ±1 | ±1 | ±1 | ±0.15 | ±1 | ±0.5 | ±0.5 | ±0.15 | ±0.15 | ±0.15 | ±0.15 | ±2 | |||||||||||||||||||||||||||||||
Insertion loss table(In 50ohm system according IEC/CISPR No.17)
6/10A 20A/30A

40A/50A 80A
100A/200A
|
|
50/60HZ 3 Phase EMI Filter , EMI EMC Mains Filter Rated Current 1000A Images |